The way to really make an impact, to change the world, and get rich in the process, is to come up with a great idea, to patent it and then just sit down, relax and wait for the money to roll in. And the world to change because of your great idea.
Wrong.
There are many examples, from the 45o screw to great medicines to container standardisation, that prove: real change only happens when people share their ideas and make them freely available.
A recent ‘back story’ from the NYT is a perfect example of this:
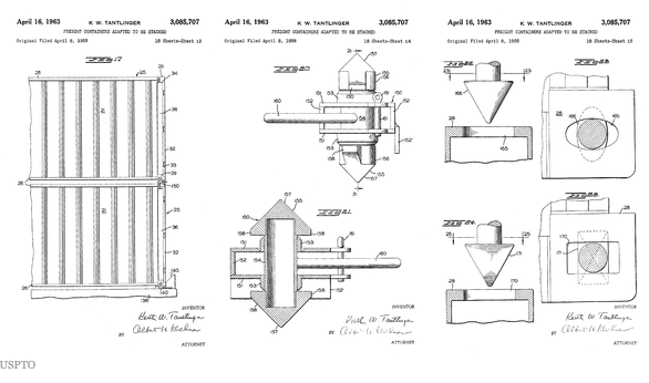
Invented in the mid-1950s by Keith Tantlinger, the twist lock, a simple device, made it possible to stack cargo containers aboard ships and securely attach them to truck trailers and rail cars.
Twist locks are placed into the corner fittings of shipping containers, which can then be locked to others by turning a metal handle. They’re simple to operate and extremely secure.
To be useful, containers had to be standardized, and others had developed rival ways of stacking them. But after Mr. Tantlinger persuaded his former employer to release the patent royalty free, it was adopted as an international standard.
These standardized stackable containers quickly replaced the manual loading and unloading of cargo and the cost of transport plummeted, ushering in the current era of global trade.
This is not what you learn in college or business school: you have to share your knowledge with others, openly and freely, if you really want your ideas to take off.
Pádraig has started to move in quite impressive ways on his floor exercise matt during his physio sessions. What is worrying me a little is that he seems to continue with these movements when he is in his chair. There is probably nothing to worry about. He is discovering muscles he had all but forgotten about and is trying to coordinate them. For whatever reason he is doing it, he says that nothing is hurting him. Hopefully, this is just a phase that he will get over with once he has learned iiiiid
